Нет в наличии
Площадка 1ПЩ Rosinox
Площадка 1ПЩ Rosinox
Площадка МОНО 1ПЩ является силовым элементом. Конструктивно входит в состав силовых крепежных элементов – крепления основного (К-ОС) и опоры (ОП); может использоваться совместно с консолями (К-КС). Непосредственно стыкуется с основными элементами дымохода.
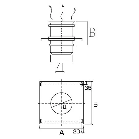
Площадка 1ПЩ состоит из трубного элемента, соответствующего типу дымоходной системы (МОНО) и опорной пластины с монтажными отверстиями. Площадка 1ПЩ Rosinox
Опорная пластина закрепляется на трубном элементе за счет двух кольцевых ребер жесткости, выполненных способом вальцевания (в случае, если трубный элемент утеплен, вальцевание производится
на внешнем контуре). Ребра жесткости удерживают дымоход в статичном положении относительно вертикальной оси, принимая на себя вес вышерасположенной конструкции и перенося его на пластину, и далее — на опорные части силовых креплений – подкосы (ПК), консоли (КС) или ножки опоры (ОП).
Монтажные отверстия пластины имеют удлиненную форму и вытянуты вдоль опорных частей силовых креплений. Это позволяет производить юстировку площадки относительно опорной стены здания в пределах 3,5 см.
Диапазон диаметров: 80, 100, 110, 115, 120, 125 100, 110, 130, 150, 180, 200, 250, 300, 350, 400, 450, 500,600,700,800,900,1000 мм.
По конструктивным особенностям Площадка 1ПЩ Rosinox является неутепленной (МОНО).
Площадка 1ПЩ Rosinox
