В наличии
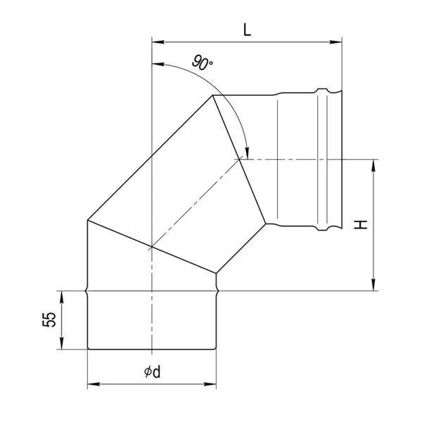
Ferrum Колено одностенное 3 секц. Угол 90° Ø100 мм (AISI 430 0.5 мм)
466 ₽
Купить в 1 клик
Оформите заказ моментально — введите номер
В корзину
Выберите количество и добавьте
Описание
Колено 90° (3 секции) (fm08)ДиаметрLHМасса 0,5Масса 0,880128930.25—1001611060.37—1101661110.420.671151691140.450.721201711160.470.751251741190.5—1301761210.530.851351791240.55—1401811260.58—1501861310.641.021601911360.691.11802211660.911.462002311761.051.682202411861.2—2502562011.442.33002812261.883.01
